
應(ying)用:河道(dao)、湖泊、淺(qian)灘
測量(liang)范圍:70米
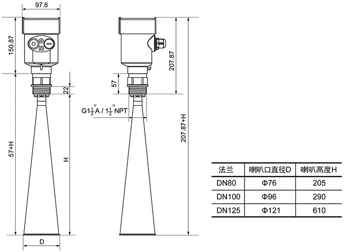
過程連接:螺紋(wen)G1?? A / 支架/法蘭
過(guo)程(cheng)溫度:-40~100℃
過程壓力:常壓
精(jing)度:±10mm
頻率范圍:26GHz
防(fang)護等級(ji):IP67 / IP65
供電(dian)電(dian)源:DC(6—24V)/四線(xian)(xian)(6~24V DC) DC 24V / 兩(liang)線(xian)(xian) (24V DC)
信(xin)號(hao)輸出:RS485/Modbus 協議 4~20mA/Hart 兩線(xian)
現場顯(xian)示:可選
外殼(ke):鋁/塑(su)料
400-1610-067
HBRD90X 系列傳感(gan)器(qi)是26G雷達(da)水(shui)位(wei)計測(ce)量(liang)(liang)儀表,測(ce)量(liang)(liang)距離可達(da)80米。天線被進(jin)一(yi)步優化處理(li)(li),新型快速的微(wei)處理(li)(li)器(qi)可以(yi)進(jin)行更高(gao)速率的信號分析處理(li)(li),使得儀表可以(yi)用于各(ge)種強腐蝕(shi)性液體(ti)的測(ce)量(liang)(liang)。
雷達水位計(ji)天(tian)線發(fa)射(she)極(ji)窄(zhai)的(de)(de)微波脈(mo)(mo)沖(chong)(chong),這個脈(mo)(mo)沖(chong)(chong)以光速在空間(jian)傳播(bo),遇到被測介質表面(mian),其(qi)部分能量被反射(she)回(hui)來,被同一天(tian)線接(jie)收(shou)。發(fa)射(she)脈(mo)(mo)沖(chong)(chong)與(yu)(yu)接(jie)收(shou)脈(mo)(mo)沖(chong)(chong)的(de)(de)時間(jian)間(jian)隔(ge)與(yu)(yu)天(tian)線到被測介質表面(mian)的(de)(de)距離(li)成正比。由(you)于電磁波的(de)(de)傳播(bo)速度極(ji)高,發(fa)射(she)脈(mo)(mo)沖(chong)(chong)與(yu)(yu)接(jie)收(shou)脈(mo)(mo)沖(chong)(chong)的(de)(de)時間(jian)間(jian)隔(ge)很(hen)小(xiao)(納秒量級)很(hen)難(nan)確認,90X系列26G雷達水位計(ji)采用一種特殊的(de)(de)解(jie)調技(ji)術(shu),可以準確識別發(fa)射(she)脈(mo)(mo)沖(chong)(chong)與(yu)(yu)接(jie)收(shou)脈(mo)(mo)沖(chong)(chong)的(de)(de)時間(jian)間(jian)隔(ge),從(cong)而進一步計(ji)算出天(tian)線到被測介質表面(mian)的(de)(de)距離(li)。
A:量程(cheng)設定(ding)、B:低(di)位(wei)調(diao)整、C:高位(wei)調(diao)整、 D:盲區(qu)范圍
測量的基準面是:螺紋(wen)底(di)面或法蘭的密封面。
注(zhu):使(shi)用雷達水位計(ji)時,務必保證(zheng)最高液位不能進入測量(liang)盲(mang)區(圖(tu)中D所示區域)。
行業推薦的雷達水位計采用了26GHz的發射頻率,因而具有:
● 波束角小,能量集中,具有更強抗干擾能力,大大提高了測量精度和可靠性。
● 天線尺寸小,便于安裝和加防塵罩等天線防護裝置。
● 重量較輕約1KG,便于安裝。
● 測量范圍可達70米,覆蓋大型水庫等水位測量。
● 多種輸出電路接口與采集系統配合。
● 采用脈沖工作方式,雷達水位計發射功(gong)率極低,對人體(ti)及環境均無(wu)傷害。
咨詢熱線:400-161-0067
應用:河道、湖泊、淺灘
測量范圍:70米
過程連接:螺紋G1?? A / 支架/法蘭
過程溫度:-40~100℃
過程壓力:常壓
精度:±10mm
頻率范圍:26GHz
防護等級:IP67 / IP65
供電電源:DC(6—24V)/四線(6~24V DC) DC 24V / 兩線 (24V DC)
信號輸出:RS485/Modbus 協議 4~20mA/Hart
兩線
現場顯示:可選
外殼:鋁/塑料
| 外 殼 | 外殼和外殼蓋之間的密封 | 硅橡膠 | |
| 外殼視窗 | 聚碳酸酯 | ||
| 接地端子 | 不銹鋼 | ||
| 供電電壓 | 四線制 | (6~24) V DC / RS485 Modbus / 功耗 90mW | |
| 兩線 | DC 24V / 4~20mA / 功耗 0.75W | ||
| 允許紋波 | - <100Hz |
Uss | |
| - (100~100K) Hz |
Uss | ||
| 電纜參數 | 電纜入口/插頭 | M20xl.5電纜入口 | |
| 接線端子 | 導線橫截面1.0mm2 | ||
| 輸出參數 | 輸出信號 | RS485 Modbus / 4~20mA | |
| 通訊協議 | Modbus / Hart | ||
| 分辨率 | 1. 6u A | ||
| 故障信號 | 電流輸出不變; | ||
| 20. 5mA | |||
| 22mA; | |||
| 3.9mA | |||
| 積分時間 | (0~36)s,可調 | ||
| 盲區 | 天線末端 | ||
| 測量距離 | HBRD908 | 30米 | |
| HBRD909 | 70米 | ||
| 微波頻率 | 26GHz | ||
| 測量間隔 | 大約1秒(取決于參數設置) | ||
| 調整時間 | 大約1秒(取決于參數設置) | ||
| 顯示分辨率 | 1mm | ||
| 工作存儲及運輸溫度 | (-40~70) ℃ | ||
| 過程溫度(天線部分的溫度) | (-40~100)℃ | ||
| 壓力 | 常壓 | ||
| 耐震 | 機械震動 l0m/s2 , (10~150)Hz | ||
請(qing)注意(yi)以下(xia)事(shi)項,以確保儀表能正確安(an)裝:請(qing)預留足夠的(de)安(an)裝空間。請(qing)避免強烈震動(dong)的(de)安(an)裝場合。
雷達及支架安(an)裝示意圖(一)
雷達及(ji)支架安裝示意(yi)圖(二)
注:雷達(da)天(tian)線發射微波脈沖時,都有一定發射角。從天(tian)線下緣到被測介質表面之間(jian),及發射微波波束所輻射的區(qu)域內(nei)不得(de)有障礙(ai)物(wu)。因此安裝(zhuang)時應盡(jin)可能避開遮擋(dang)設施(shi),必要(yao)時須(xu)進(jin)行“虛假回(hui)波學習“。安裝(zhuang)儀(yi)表時還(huan)要(yao)注意(yi):最(zui)高液位不得(de)進(jin)入(ru)測量盲區(qu);儀(yi)表必須(xu)接(jie)大地,增加防(fang)雷措(cuo)施(shi);室外應采取遮陽(yang)、防(fang)雨措(cuo)施(shi)。
公司主營(ying)產(chan)品(pin):雷達(da)液位計、導波雷達(da)液位計、調頻雷達(da)液位計等儀(yi)器(qi)儀(yi)表產(chan)品(pin)。
售前咨詢
熱(re)線電話 400-161-0067
400電話,全天24小時客服(fu)接聽
售后咨詢
售后咨詢 資深售后工程師(shi)一對一解答
劉工:18610116715
薛工:18610116706
掃碼咨詢