
測(ce)量介質:液(ye)體
測量范(fan)圍: 0.05m~35m
過程連(lian)接(jie): G2A螺紋/法(fa)蘭(lan)≥DN65
過程溫(wen)度: -40~110℃
過程(cheng)壓力: -0.1~1.6MPa
發 射 角(jiao): 5°
天(tian)線尺寸: 42mm透鏡(jing)天(tian)線
天線材質:PTFE
精 度: ±2mm
防護等級(ji): IP67
中心頻率: 123GHz
電 源:二線制/DC24V四線制/DC12~24V四線制/AC220V
外 殼(ke):鋁/塑(su)料/不銹(xiu)鋼
信號輸出:二線制/4...20mA/HART協(xie)議四(si)線制4...20mA/ RS485 Modbus
400-1610-067
HBRD-FMF 系列傳感器是(shi)120G調(diao)頻雷達式(shi)物位測(ce)量(liang)儀表,測(ce)量(liang)距離(li)可(ke)達35米(mi)。天線被(bei)進(jin)一步優化處(chu)理,新型快(kuai)速的(de)微處(chu)理器可(ke)以進(jin)行更高速率的(de)信號分析處(chu)理,使得(de)儀表可(ke)以用于高溫(wen)高壓等環(huan)境液體的(de)測(ce)量(liang)。
調頻連續(xu)波(bo)雷(lei)(lei)達物位計的通用原理為雷(lei)(lei)達在(zai)罐(guan)頂發(fa)射(she)電(dian)磁波(bo),電(dian)磁波(bo)碰到(dao)介質反射(she)后被雷(lei)(lei)達接(jie)收,接(jie)收信(xin)號與發(fa)射(she)信(xin)號之(zhi)間的頻率(lv)差 δ f 與介質表面的距離(li) R 成一定(ding)比例關系: R= C (速度(du)) *δ f (頻率差(cha)) /2/ K ( 調頻斜率)。因為光速 C和調(diao)頻(pin)斜率(lv) K 已(yi)知(zhi),因此估算出頻率(lv)差 δ f , 便可得到(dao)雷達安裝位置料(liao)面的(de)距離 R ,再(zai)通過已知的罐體總(zong)高,減去雷達到料面的空間距離(li)(簡稱空高),得出料位(wei)的高度(du)。
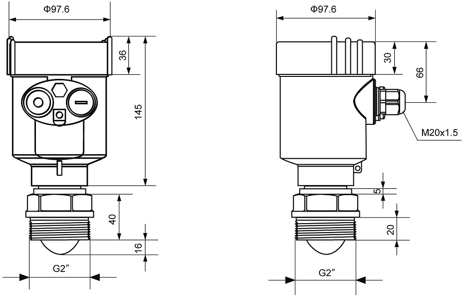
本儀表完全滿足防護等級IP66/67的要求,請確保電纜密封頭的防水性。如圖
如何確保安裝滿足IP67的要求:
請確保密封頭未受損。
請確保電纜未受損。
請確保所使用的電纜符合電氣連接規范的要求。
在進入電氣接口前,將電纜向下彎曲,以確保水不會流入殼體,見①
請擰緊電纜密封頭,見②
請(qing)將未(wei)使(shi)用(yong)的電氣接口用(yong)盲堵堵緊,見③
咨詢熱線:400-161-0067
測量介質:液體
測量范圍:0.05m~35m
過程連接:G2A螺紋/法蘭≥DN65
過程溫度:-40~110℃
過程壓力:-0.1~1.6MPa
精度:±2mm
防護等級:IP67
頻率范圍:123GHz
電源:兩線制(DC24V)/四線制(DC12V~24V)/四線制(AC220V)
防爆等級:Exia ⅡC T6 Ga / Exd
IIC T6 Gb
外殼:鋁/塑料/不銹鋼
信(xin)號輸(shu)出:二(er)線制(zhi)4...20mA/HART協議(yi)/四線制(zhi)4...20mA /RS485 Modbus
| 過程鏈接 | 法蘭 | |||
| 材質 | 304不銹鋼、PP | |||
| 外殼 | 外殼和外殼之間的密封 | 硅橡膠 | ||
| 外殼視窗 | 聚碳酸酯 | |||
| 接地端子 | 不銹鋼 | |||
| 供電電壓 | 四線制 | 標準型 | (12~24)V DC | |
| 功耗 | max80mA DC24V/2W | |||
| 允許波紋 | <100Hz | Uss<1V | ||
| (100~100K)Hz | Uss<10mV | |||
| 雙腔外殼 | (198~242)V AC | 四線制 | ||
| 100V AC | 四線制 | |||
| 電纜參數 | 電纜入口/插頭 | 1個M20x1.5電纜入口 | ||
| 1個盲堵M20×15 | ||||
| 接地端子 | 導線橫截面2.5mm2 | |||
| 輸出參數 | 輸出信號 | (4~20)mA/RS485Modbus | ||
| 分辨率 | 1mm | |||
| 故障信號 | 電流輸出不變;20.5mA;22mA;3.9mA | |||
| 積分時間 | (0~20)s,可調 | |||
| 盲區 | 0.1m/0.2m/0.3m | |||
| 最大測量間隔 | 150米 | |||
| 測量間距 | 大約1秒(取決于參數設置) | |||
| 調整時間 |
大約1秒(取決于參數(shu)設置) |
|||
|
調(diao)整時間工作(zuo)存儲及(ji)運輸溫度 |
(-40~80)℃ |
|||
|
過程溫度 |
HBRD-FMF11 | -40~80℃ | ||
| HBRD-FMF12 | -40~110℃ | |||
| HBRD-FMF13 | -40~110℃ | |||
| HBRD-FMF15 | -40~200℃ | |||
| HBRD-FMF21 | -40~110℃ | |||
|
相對濕度 |
<95% | |||
|
壓力 |
Max2.5MPa | |||
|
耐(nai)震 |
機械震動10m/s2,(10~150)Hz | |||
儀表在(zai)安裝時避(bi)免安裝在(zai)入料口的上方(fang),盡量避(bi)開各種影響(xiang)信號的物體,如(ru)攪拌槳等
● 在(zai)極端復雜的(de)工(gong)況下,以雷達(da)安裝點為中心,半徑20cm的(de)區域內沒有任何障礙物,儀表即可正常工(gong)作。
有不(bu)能(neng)(neng)安裝在入料口上方,儀表下方不(bu)能(neng)(neng)有障(zhang)礙物
在極端(duan)復雜的工(gong)況下(xia),以(yi)雷達安(an)裝點為(wei)中心(xin),半徑20cm的區域內沒有任何障礙物,儀(yi)表即可正常工(gong)作。
售前咨詢
熱(re)線電(dian)話(hua) 400-161-0067
400電話,全天24小(xiao)時客服接聽
售后咨詢
售(shou)后(hou)咨(zi)詢 資深售(shou)后(hou)工程師一對一解答
劉工:18610116715
薛(xue)工:18610116706
掃碼咨詢